Opis
Czujnik wilgotności HIG-2 VENTURE INDUSTRIES
Zastosowanie
Czujnik wilgotności HIG-2 marki VENTURE INDUSTRIES to niezawodne urządzenie przeznaczone do monitorowania poziomu wilgotności względnej w powietrzu i sterowania urządzeniami wentylacyjnymi w zależności od zmierzonych wartości. Stosowany głównie w systemach wentylacji i klimatyzacji, doskonale sprawdza się w pomieszczeniach, gdzie kontrola wilgotności ma kluczowe znaczenie, takich jak łazienki, pralnie, kuchnie, siłownie, a także magazyny produktów wrażliwych na wilgoć.
Budowa i konstrukcja
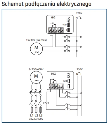
Obudowa czujnika HIG-2 wykonana została z trwałego tworzywa sztucznego odpornego na działanie warunków eksploatacyjnych, takich jak zmienna temperatura i podwyższona wilgotność. Kompaktowy, estetyczny wygląd umożliwia łatwy montaż na ścianie w pomieszczeniach mieszkalnych lub przemysłowych. Czujnik wyposażono w przystosowane do standardowej instalacji zaciski elektryczne, co znacząco ułatwia jego podłączenie do systemu wentylacyjnego lub automatyki budynkowej.
Funkcja działania i regulacja
Urządzenie HIG-2 działa na zasadzie wykrywania aktualnego poziomu wilgotności w pomieszczeniu. Po przekroczeniu ustawionego progu wilgotności, czujnik aktywuje sygnał wyjściowy, który może być wykorzystany do załączenia wentylatora, centrali wentylacyjnej lub innego urządzenia odpowiedzialnego za poprawę jakości powietrza. Zakres regulacji wilgotności wynosi zwykle od około 30% do 90% RH, co pozwala użytkownikowi dostosować próg uruchomienia urządzenia do indywidualnych potrzeb.
Czułość działania czujnika pozwala na precyzyjne sterowanie urządzeniami, dzięki czemu możliwe jest efektywne zarządzanie wilgotnością powietrza bez konieczności ciągłego monitorowania warunków przez użytkownika. Przełącznik wewnętrzny umożliwia ustawienie wartości progowej, przy której czujnik uruchamia zasilane przez niego urządzenia.
Zastosowanie w praktyce
HIG-2 znajduje zastosowanie w nowoczesnych systemach wentylacyjnych, gdzie konieczna jest precyzyjna kontrola mikroklimatu. Sprawdza się zarówno w budynkach mieszkalnych, jak i komercyjnych oraz przemysłowych. Możliwość szybkiego reagowania na wzrost poziomu wilgotności czyni z niego skuteczne narzędzie w walce z nadmiernym zawilgoceniem, pleśnią czy skraplaniem się pary wodnej na powierzchniach.
Zastosowanie czujnika HIG-2 wpływa pozytywnie nie tylko na komfort użytkowników pomieszczeń, ale również na trwałość i bezpieczeństwo konstrukcji budowlanych oraz wyposażenia technicznego.













