Opis
Przełącznik biegów REGUL-2 VENTURE INDUSTRIES
Zastosowanie
REGUL-2 – Przełącznik biegów (0-I-II) przeznaczony wyłącznie do wentylatorów z dwu- lub trzybiegowymi silnikami jednofazowymi (230 V, 50 Hz). Przeznaczony do montażu natynkowego, zapewnia prostą i skuteczną kontrolę nad prędkościami pracy wentylatora. Urządzenie umożliwia ręczne sterowanie poziomem wydajności wentylatora poprzez wybór jednego z dwóch dostępnych biegów lub całkowite jego wyłączenie.
Uwaga
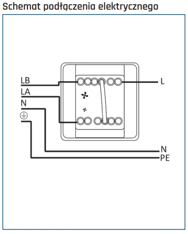
Przełącznik biegów może współpracować jedynie z wentylatorami wyposażonymi w silniki wielobiegowe lub przystosowane do regulacji napięciowej (przełączniki 0-Y-D). Bardzo ważne jest stosowanie przełączników zgodnych z układem połączeń konkretnego modelu silnika. Zastosowanie przełącznika o nieodpowiednim schemacie przełączania lub błędne podłączenie napięcia do zacisków może skutkować trwałym uszkodzeniem silnika wentylatora.
Budowa i konstrukcja
REGUL-2 został zaprojektowany z myślą o trwałości i niezawodności. Obudowa wykonana z odpornego na uszkodzenia tworzywa sztucznego gwarantuje ochronę elementów elektrycznych i umożliwia bezpieczną eksploatację w typowych warunkach instalacyjnych. Zastosowane komponenty zapewniają długą żywotność, a precyzyjny mechanizm przełączania biegów minimalizuje ryzyko błędów użytkownika.
Urządzenie wyposażone jest w trzy pozycje przełącznika: 0 (wyłączenie), I (pierwszy bieg) oraz II (drugi bieg), co pozwala użytkownikowi na ręczne dostosowanie wydajności wentylatora do aktualnych potrzeb – np. w zależności od pory dnia, zapotrzebowania na wymianę powietrza lub poziomu hałasu.
Montaż i użytkowanie
REGUL-2 przystosowany jest do montażu natynkowego, co znacząco ułatwia jego instalację zarówno w nowych, jak i modernizowanych systemach wentylacyjnych. Instalacja wymaga jedynie podstawowej wiedzy z zakresu elektryki, a przejrzysty układ zacisków elektrycznych upraszcza proces podłączenia. Przełącznik może być z powodzeniem stosowany zarówno w przestrzeniach mieszkalnych, jak i komercyjnych oraz przemysłowych.
Dzięki prostocie działania użytkownik może w każdej chwili dostosować pracę wentylatora do warunków panujących w pomieszczeniu, np. zmniejszyć prędkość w godzinach nocnych lub zwiększyć ją w przypadku wzmożonej obecności osób.
Bezpieczeństwo i eksploatacja
REGUL-2 spełnia wszystkie niezbędne normy w zakresie bezpieczeństwa elektrycznego. Zalecane jest jednak, aby podłączenia elektryczne były wykonywane przez wykwalifikowanego instalatora, zgodnie ze schematem silnika konkretnego wentylatora. Regularna kontrola połączeń oraz czystości obudowy pozwala utrzymać przełącznik w idealnym stanie przez długi czas.












